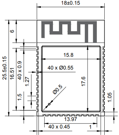
ESP32-S3-WROOM-1 / 1U

ESP32-S3 대표 모듈 : ESP32-S3-WROOM-1 / 1U
ESP32-S3-WROOM-1/1U는 ESP32-S3 칩을 사용한 제품으로 ESP32-S3모듈 중에서 가장 대표적인 모듈 제품입니다. ESP32-S3 칩을 기반으로 한 모듈 제품으로, ESP32-S3 칩의 모든 기능을 지원합니다.
(1) ESP32-S3 칩의 기능 소개 : https://www.espressif.com/en/news/ESP32_S3
Announcing ESP32-S3 for AIoT Applications | Espressif Systems
Announcing ESP32-S3 for AIoT Applications Shanghai, ChinaDec 31, 2020 We are delighted to announce the newest addition to Espressif’s series of MCUs, ESP32-S3, which has been especially designed to address the needs of the AIoT market. Since its release
www.espressif.com
(2) ESP32-S3 칩 Datasheet : https://www.espressif.com/sites/default/files/documentation/esp32-s3_datasheet_en.pdf
(3) ESP32-S3-WROOM-1/1U 모듈 Datasheet : https://www.espressif.com/sites/default/files/documentation/esp32-s3-wroom-1_wroom-1u_datasheet_en.pdf
(4) ESP32-S3 IDF : https://docs.espressif.com/projects/esp-idf/en/latest/esp32s3/get-started/index.html
ESP32-S3-WROOM-1 / 1U의 메모리 사양 옵션
모듈 제품은 다양한 내장 메모리 옵션이 있으며, Flash size와 PSRAM사이즈 별로 아래와 같은 옵션이 있습니다. 메모리는 모듈 내부에 내장이 되어 있으며, 내부 메모리 연결이 옵션 별로 약간씩 다르므로, 하드웨어 설계시 주의가 필요 합니다. (중요 : 내부 메모리가 연결된 핀은 모듈 외부에서 사용이 불가)
이 중에서 가장 대표적으로 많이 사용되는 제품은 아래 3가지 제품입니다. 메모리 옵션 별로 가격 및 수급 상황이 다르므로, 반드시 적용하기 전에 미리 확인이 필요 합니다.
** 대표적인 메모리 옵션 **
(1) ESP32-S3-WROOM-1-N4
(2) ESP32-S3-WROOM-1-N8
(3) ESP32-S3-WROOM-1-N8R8
** 전체 메모리 옵션 **

ESP32-S3-WROOM-1 / 1U 안테나 사양
ESP32-S3-WROOM-1은 내장 PCB안테나이고, 1U는 외부 안테나를 사용하는 U.Fl 커넥터이 내장되어 있습니다. 두 모듈은 사이즈가 다르지만, layout이 동일하고, Pin to pin 호환 됩니다.


ESP32-S3-WROOM-1 / 1U 기존 모듈과 호환성
기존 ESP32-WROOM-32E / 32UE와 펌웨어는 호환 되지 않습니다. 다만, 동일 IDF를 사용하기 때문에 소스 코드 자체는 대부분 re-use가 가능 할 것으로 보이나 코어가 다르기 때문에 Compiler가 다릅니다.
하드웨어 핀맵은 거이 비슷하고, 아래 2개핀(적색)만 추가 된 상태입니다. 모듈 사이즈, Pin 피치등 레이아웃 자체는 아래 2개 핀을 제외하고 동일 합니다. 다만, 핀 기능이 다르기 때문에 전환시 반드시 상세한 검토가 필요 합니다.


ESP32-S3-WROOM-1 / 1U 부트 스트랩
가장 중요한 Boot 스트랩은 GPIO45와 GPIO0입니다.
GPIO45는 반드시 high이어야 합니다.
GPIO0은 기존과 동일하게 펌웨어 다운시 Low이어야 합니다.
GPIO46이 특이 한데, GPIO46=1, GPIO0=0에서 부팅하면 안된다고 합니다.

ESP32-S3-WROOM-1 / 1U 개발 보드
기본 형 개발보드 : ESP32-S3-DevkitC-1
ESP32-S3-DevKitC-1 - ESP32-S3 - — ESP-IDF Programming Guide latest documentation
This section provides a brief introduction of ESP32-S3-DevKitC-1, instructions on how to do the initial hardware setup and how to flash firmware onto it. Contents and Packaging Ordering Information The development board has a variety of variants to choose
docs.espressif.com
문의 : Espressif 한국 공식 대리점
주식회사 아이디케이 테크놀로지
info@idktech.co.kr

'제품 소개 > ESP32-S3' 카테고리의 다른 글
| ESP32-S3 개발보드 (0) | 2023.10.24 |
|---|---|
| ESP32-S3-MINI-1 / 1U (0) | 2023.10.24 |







